PCU-511 DUO zaman rölesi
PCU-511DUO, 5908312592495
Ürün Açıklaması
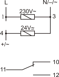
Fonksiyon: gecikmeli kapatma, gecikmeli açma, döngüsel çalışmaBesleme gerilimi: 230 V AC / 24 V AC/DC
Kontak: 1P
Montaj: 35 mm ray üzerinde
Zaman röleleri endüstriyel ve ev otomasyon sistemlerinde (örn. havalandırma) zaman kontrolü için kullanılır , ısıtma, aydınlatma, sinyalizasyon vb.).
Çalışma
Fonksiyonları:
* GECİKMELİ KAPAMA (A)
Röle açılana kadar kontak 11-10 pozisyonunda kalır (PCU-511 UNI için 3-5). Besleme voltajı uygulandıktan sonrakontak 11-12 pozisyonuna (PCU-511 UNI için 3-7) anahtarlanır ve ayarlanan çalışma süresi t ölçülür.t süresi ölçüldükten sonra kontak 11-10 pozisyonuna döner (3 -5 PCU-511 UNI için). Besleme gerilimi kesilip tekrar açıldıktansonra röle çalışma modunun yeniden başlatılması mümkündür* GECİKMELİ AÇMA (B) Besleme gerilimi uygulanmadan önce ve uygulandıktan sonrakontak 11-10 pozisyonunda kalır (PCU-511 UNI için 3-5) ve ayarlanan çalışma süresi t ölçülür.t süresi ölçüldükten sonra kontak 11-12 konumuna (PCU-511 UNI için 3-7) değiştirilir. Besleme gerilimi kesilip tekrar açıldıktan sonra röle çalışma modunun yeniden başlatılması mümkündür. * GECİKMELİ KAPAMA - DÖNGÜSEL (C)Ayarlanan çalışma ve mola süreleri eşit aralıklarla döngüsel olarak gerçekleştirilen gecikmeli KAPALI çalışma modu. * GECİKMELİ AÇMA - DÖNGÜSEL (D)Gecikmeli açma modu, ayarlanan çalışma ve mola süreleri eşit aralıklarla döngüsel olarak gerçekleştirilir.

Dikkat!
* Güç açıldığında sistem, zaman aralığı ayarlarındaki değişikliklere yanıt vermez.
* Yeni ayarlanan zaman aralığında çalışma, gücü kapatıp tekrar açtıktan sonra gerçekleşir.
* Ayarlanan zaman aralığında güç açıldığında, zaman ayar değeri dahilinde zamanı sorunsuz bir şekilde ayarlamak mümkündür.
Zaman aralıkları
| 0,1s: | 0,1÷1,2 sn. |
| 1'ler: | 1÷12 sn. |
| 10'lar: | 10÷120 sn. |
| 1 dk: | 1÷12 dk. |
| 10 dk: | 10÷120 dk. |
| 2 saat: | 2÷24 saat |
| 1d: | 1÷12 gün (24÷288 saat) |
| 2d: | 2÷24 gün (48÷576 saat) |
AÇIK - güç açıldığında, 11-12 konumlarındaki kontağı kalıcı olarak açar.
KAPALI - güç açıldığında, 11-10 konumlarındaki kontağı kalıcı olarak açar.


Teknik Veri:
|
Besleme gerilimi |
230V AC / 24V AC/DC |
|
Çalışma modu |
gecikmeli kapatma, gecikmeli açma, çevrimsel çalışma |
|
Yönetici unsur |
röle |
|
Maksimum yük akımı |
8 bir |
|
İletişim yapılandırması |
1 × NA/NK |
|
Kontak ayırma |
EVET |
|
Tepki gecikmesi |
50 ms |
|
İletişim durumu sinyali |
LED kırmızı |
|
Çalışma süresi - ayarlanabilir |
0,1 sn ÷ 576 saat |
|
Güç göstergesi |
LED yeşil |
|
Bağlantı |
2,5 mm² vidalı terminaller |
|
Sıkma torku |
0,4 Nm |
|
Güç tüketimi |
0,8W |
|
Çalışma sıcaklığı |
-25 ÷ 50 °C |
|
Boyutlar |
1 modül (18 mm) |
|
Kurulum |
35 mm'lik bir ray üzerinde |
|
Güvenlik düzeyi |
IP20 |