SZR-281 ağ jeneratörü yedek kontrolörü
SZR-281, 5908312594444
Ürün Açıklaması
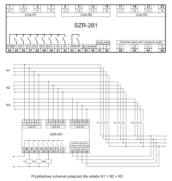
3 hat kontrollü.SZR-281 otomatik yedek anahtarlama kontrolörü, güç hatlarının parametrelerini kontrol etmek ve doğru çalışmasını sağlamak ve mevcut bağlı güç hattının parametrelerinde bir düşüş veya voltajın tamamen kaybolması durumunda tesisin güç kaynaklarını otomatik olarak değiştirmek için tasarlanmıştır. bu satırda.
SZR-281 yedek kontrol cihazı nasıl çalışır?
- Üç güç hattının eş zamanlı kontrolü
- TrueRMS değer ölçümü
- Enerji hatlarının ölçüm girişlerinin galvanik olarak ayrılması
- Alıcı hatta voltaj varlığının kontrol edilmesi
- Kontaktörlerin veya motorlu anahtarların kontrolü
- Acil durum yanma jeneratörünün çalıştırılması
- Öncelik satırı tanımlama özelliğiyle otomatik modda çalışın
- Güç boşaltma, güç boşaltma durumlarını serbestçe tanımlama imkanıyla, alım hattının iki parçaya bölünmesiyle gerçekleştirilir.
- Hattın iyi olarak nitelendirildiği her hat için gerilim aralığının bağımsız olarak belirlenmesi ve hattın nitelendirilmesi sırasında gerilim histerezisinin belirlenmesi
- Bir satırı iyi olarak nitelendirme süresinin ve bir satırı kötü olarak nitelendirme süresinin tanımı.
- Hattaki voltajın tamamen kesilmesi durumunda hattın hızlandırılmış olarak kötü olarak nitelendirilmesi
- Kontrollü motorlu kontaktörlerin/anahtarların açma ve kapama sürelerinin tanımı
- Kontrolörün çalışmasını engelleyen harici bir güvenlik devresi bağlama imkanı
- Kontrolörün çalışmasının, LCD ekran ve klavyeyle donatılmış kontrolörün ön paneli aracılığıyla yapılandırılması ve izlenmesi
- Özel bir uygulama kullanan bir PC aracılığıyla kontrolörün çalışmasının yapılandırılması ve izlenmesi
- Kayıt dosyasını bir PC'ye aktarma seçeneğiyle olay kaydı
- Hata sinyali, alarm kontağı ve sesli sinyal yoluyla sağlanır
- Kontrol cihazına 24 V DC yedek voltajla güç verme imkanı
- Kumanda ayarlarına erişimin PIN koduyla engellenmesi

Bu ürüne ilk yorumu siz yapın!


Teknik Veri:
|
Denetleyici güç kaynağı - besleme voltajı |
85÷264 VAC |
|
Denetleyici güç kaynağı - yedek voltaj |
16÷27VDC |
|
Kontrollü hatlar |
3 x 400 V + N (dört telli) |
|
Kontrol edilen hat sayısı |
3 |
|
Ölçülen giriş gerilimleri - nominal gerilim |
230V |
|
Ölçülen giriş gerilimleri - ölçüm aralığı |
80÷300V |
|
Ölçülen giriş voltajları - frekans |
45÷50Hz |
|
Ölçülen giriş voltajları - doğruluk |
Tam ölçeğin %1'i + 1 hane |
|
Röle çıkış tipi |
kontaklar 8 x [1xNA] + 1x[1xNA] (Alarm) |
|
Röle çıkışları yük kapasitesi |
8A / 2A (ALARM) |
|
Denetleyici güç kaynağı - güç tüketimi (ana/yedek) |
5VA / 10W |
|
Bağlantı |
2,5 mm² vidalı terminaller |
|
Sıkma torku |
0,4 Nm |
|
Çalışma sıcaklığı |
10÷40°C |
|
Boyutlar |
150x75x110 mm |
|
Kurulum |
35 mm'lik bir ray üzerinde |
|
Güvenlik düzeyi |
IP20 |